Knife Steels Rated by a Metallurgist – Toughness, Edge Retention, and Corrosion Resistance
冶金学家从钢材韧性、刀刃保持力和耐腐蚀性方面对刀具的评价,写的非常全面详细,值得作为资料保存,版权归原作者所有(文章尾部有链接),如有时间再翻译成中文。
Thanks to Bill Smutz, Alex Topfer, Florian Bachler, Brunhard, Art, Rod H, Sach, Jinny Koh, Jon Duda, Cory Henderson, and UPKnife for becoming Knife Steeel Nerds Patreon supporters! And Michael Fitzgerald, Tim Marais, and Head VI for increasing their contributions. All of the experiments shown below are possible thanks to supporters.
Video https://www.youtube.com/watch?v=dg4qcdDba9w&t=109s
I also have a video that summarizes some of the information below while also showing how some of the experiments work. Lots of information is still specific to this article, however. I think they are complementary and you should watch/read both.
Background to this Article
I have a (relatively) short introduction before getting into the ratings with a few important things to put them into context. That way you can get into the steel ratings quickly. Most of the discussion of how the ratings were generated, various caveats and details, etc. are after the ratings. If you want to learn more than keep reading past the ratings.
I wrote an article about knife steel ratings available online in 2018, where I concluded that none of them were very good. At the end of the article I gave a list of reasons why I hadn’t made my own ratings chart, two big reasons were: 1) I didn’t yet have articles explaining what edge retention and toughness even is (this was early on in Knife Steel Nerds), 2) I didn’t have good experimental numbers on many steels. Both of those things are no longer an issue as I now have way too many articles and a book. And I’ve done a lot of experimental work on knife steels where I feel more confident in my own ratings. There are still a few things I don’t know but we have enough information to make educated guesses where data isn’t available. I reserve the right to change my ratings based on new information.
Toughness vs Edge Retention
Toughness is a measure of how much resistance a steel has to fracturing. In the context of a knife this would be chipped edges or broken knives. Edge retention is the ability of a knife to maintain cutting ability during cutting. I will be focusing on CATRA edge retention which measures abrasive wear of knives. I did a large study of different knives with identical sharpening and edge geometry. One important concept I want to hammer home is that there isn’t one property that is most important. Many steel ratings seem to over-emphasize edge retention. Or even if they try to be more open to importance of toughness, the good reputation of the high edge retention steels means that they get inflated toughness ratings along with it. Toughness and edge retention are generally opposing properties and it is difficult to improve both of them at the same time. Therefore I will be showing the ratings of the steels graphically in terms of toughness-edge retention balance, where steels that are high and to the right have the best combination, and you choose the steel based on the level of toughness or edge retention necessary for the knife. There is no such thing as a steel that is a “10” in both toughness and edge retention. Or even a 7 in both categories.
Importance of Edge Geometry
Another important caveat before we get to the ratings are that these are for the steel only. This does not predict which knife will cut longer or be more resistant to chipping. The reason is because sharpening and edge geometry will also greatly control properties. For example, see the chart below for how much edge retention can change with edge geometry for a single steel (in this case 154CM and CPM-154). Using 10 dps sharpening (20 degrees inclusive on the chart) leads to about 5x the edge retention of 25 dps.
Things are similar with resistance to chipping and edge deformation. A more obtuse edge angle is much more resistant to chipping than an acute edge. So setting edge geometry for the type of knife and intended use is very important. This is a major tradeoff between improved cutting ability and edge retention with an acute angle vs a strong and chip resistant edge with an obtuse angle. Below shows pictures of a 61 Rc knife that was impacted with a 3/16″ rod at different energy levels. The 25 dps sharpened knife saw almost no edge damage with 2 ft-lbs while a 15 dps edge saw a significant chip with only 0.3 ft-lbs and catastrophic chipping with 1.4 ft-lbs. These images are taken from my book Knife Engineering.
The Ratings
I’m going to give the ratings first and then give more explanation about how the ratings were created.
Carbon Steels and Low Alloy Tool Steels
These steels are typically used by forging bladesmiths, traditional folders, and some production fixed blades. Carbon steels are those that have primarily carbon added to them with some Mn or Si as well. Low Alloy tool steels have small alloy additions to increase “hardenability” so they harden more easily in oil rather than water. Water is a severe quenchant that can often lead to warping or cracking. Some of these steels also have vanadium (CruForgeV) or tungsten (Blue Super, V-Toku2, 1.2519) for increased wear resistance. In general, higher carbon steels have higher edge retention but lower toughness. The maximum edge retention available in this group is not particularly high because most of the wear resistance comes from iron carbide, also called cementite, which is the softest of the different carbide types. On the positive side, they are very easy to forge and grind.
8670 and 5160 are good choices for large knives that need very high toughness. 52100 and CruForgeV are good for general purpose knives. Blue Super and 1.2562 have higher edge retention but relatively low toughness. ApexUltra is a steel that we are working on that had excellent properties in small batch production (50 lbs). I’m looking forward to seeing if it does as well in full production.
Carbon and Low Alloy Tool Steel Ratings
High Alloy Tool Steels and High Speed Steels
High alloy tool steels are designed to be air hardening, so they can be cooled even slower than the oil hardening steels found above. This is good for ease in heat treating in large batches and for even cooling that greatly reduces warping and size changes. High Speed steels are a subset that have significant additions of Mo and/or W that makes them resist softening when they are used for machining operations. The big difference in properties vs the low alloy steels, however, are the harder carbides that are found in these steels. Vanadium carbides are among the hardest that form in steel, and chromium carbides are in between iron carbide and vanadium carbide. Steels with very high vanadium content like Vanadis 8, CPM-10V, K390, CPM-15V, etc. have extremely high edge retention. Maxamet and Rex 121 are so extreme in terms of wear resistance and edge retention that I rated them higher than 10 because otherwise it throws off the ratings for everything else. Powder metallurgy steels with low vanadium content like CPM-1V and Z-Tuff/CD#1 have extremely high toughness. The best steels with balanced properties include 4V/Vanadis4E, CPM-CruWear, and CPM-M4. My favorites of the high edge retention group are Vanadis 8 and CPM-10V.
High Alloy Tool Steel and High Speed Steel Ratings
Stainless Steels
Stainless steels are another subset of high alloy tool steels that have enough chromium in them to have stainless levels of corrosion resistance. You can’t look at only the chromium content of the steel to know the level of corrosion resistance. For example, D2 has enough chromium to be stainless (~12%) but its high carbon means that too much chromium carbide is formed to leave enough chromium for stainless levels of corrosion resistance. MagnaCut has the lowest chromium of any of the below steels but all of its chromium is in solution (no chromium carbide) and the fact that it has no chromium carbide also gives it the maximum level of corrosion resistance for a given amount of chromium. Also Mo additions improve corrosion resistance for a given amount of chromium.
As with high alloy tool steels, the amount of vanadium can be a shortcut to predicting the general level of wear resistance and edge retention. CPM-S90V is my favorite in the high edge retention category because of its decent toughness. S110V has improved corrosion resistance at the cost of some toughness compared to S90V. AEB-L and 14C28N are the best in the high toughness group. LC200N has similar properties to those two but with saltwater levels of corrosion resistance. The main downside is the steel is more difficult to heat treat and can’t go harder than about 60 or perhaps 61 Rc. The most balanced is CPM-MagnaCut which is in an area all by itself on the chart. The steel was developed to be free from chromium carbides which gives it properties similar to balanced non-stainless tool steels like CPM-4V and CPM-CruWear. Vanax gives up some toughness and hardness vs MagnaCut for saltwater levels of corrosion resistance. It also tops out around 60-61 Rc like LC200N and needs relatively careful heat treating to even be that hard. But it would be my recommendation for applications requiring extreme corrosion resistance.
Stainless Steel Ratings
Composition of Steels
I have the average composition of the steels rated above (plus some extras) so you can see what the different names refer to. There is an acceptable range for every element so this doesn’t mean that 1084 will always have exactly 0.84% carbon. Not every element is shown in the charts. For example, the Si space is blank for several of the carbon steels because they have a relatively wide acceptable range, not because the element isn’t added. And Mn and Si isn’t shown at all for the high alloy steels, even though those elements are added to all of them. This is to keep the focus on the elements that are making the biggest difference.
I actually don’t recommend that enthusiasts spend all that much time analyzing the exact composition of different steels and trying to guess their properties. Even metallurgists can have a difficult time estimating properties just based on the elements. There are so many interactions between them that predictions are difficult without modeling software. In general, higher carbon and higher vanadium steels have higher wear resistance and edge retention but lower toughness. And steels with at least 10% chromium are probably stainless, except for several important exceptions like D2 and ZDP-189.
Carbon Steel Compositions
Low Alloy Steel Compositions
Composition of High Alloy Tool Steels
Composition of High Speed Steels
Stainless Steel Compositions
Edge Retention
You can read about my CATRA edge retention testing in this article. Each steel was tested with a knife that was produced just for the test, and then sharpened the same way for each test (15 dps 400 grit CBN sharpening). A few steels have been added since such as MagnaCut and M398. I also added a few more steels in this study. The studies confirmed that the primary controlling factors are hardness of the steel, volume of carbides, and hardness of the carbides. The highest edge retention steel was Rex 121 which was at 70 Rc in combination with lots of high hardness vanadium carbides. We can predict edge retention of a steel within a relatively narrow band based on hardness and carbide volume. We should be suspicious of anyone who is claiming very high edge retention with a steel at low hardness and a small amount of carbide. The chart below has dotted lines which indicate the average effect of hardness for any given steel. So you can estimate how much a change in hardness would affect edge retention by following the slope of those lines.
And below shows a chart of carbide hardness, the equation we created to predict edge retention based on edge angle, hardness, and carbide volumes, and then the chart showing the good correlation:
TCC (mm) = -157 + 15.8Hardness (Rc) – 17.8EdgeAngle(°) + 11.2CrC(%) + 14.6CrVC(%) + 26.2MC(%) + 9.5M6C(%) + 20.9MN(%) + 19.4CrN(%)
Toughness
With toughness it is a bit harder to link to only one article as I don’t really have a summary of all of the toughness testing that we have done. Mostly it has been presented piecemeal with all of the studies that we have done on optimizing heat treatments of different steels like CPM-CruWear, AEB-L, 52100, etc. We use a subsize, unnotched chapy test with 2.5 x 10 x 55 mm dimensions. Each test is done with 3 or more specimens to get a good average. Below shows charts summarizing tests of different steels for the major categories discussed so far, low alloy steels, high alloy non-stainless steels, and stainless steels. In general, the more carbide the steel has and the larger the carbides the lower is the toughness. The hardness of the carbides does not matter much unlike with edge retention. There are a few other complicating factors such as carbon in solution and plate martensite, especially in low alloy steels such as described in this article.
Toughness vs Edge Retention
In some previous articles I have shown the balance between my toughness and edge retention measurements such as in the following chart, where the high alloy non-stainless are in orange and the blue are stainless:
However, one issue with these charts are that difference in toughness is that a linear scale for toughness is a bit misleading for visualizing practical toughness differences. If you look at the chart you may notice that at high toughness levels if you increase edge retention by only a relatively small amount you get very big drops in toughness. For example, increasing edge retention from Z-Tuff to 3V (100 mm in the CATRA test) led to a drop in over 10 ft-lbs, a similar drop is seen by going from 3V to CPM-CruWear. But then if you look at an increase of 100 mm in the CATRA test from Maxamet to Rex 121 the toughness only drops 1-2 ft-lbs. However, the relative difference in toughness between these different examples are similar. When we plot toughness vs edge retention on a log scale instead we get a straight line that is a better visualization of toughness differences. This is the basis on which I do the ratings rather than a linear scale.
Importance of Carbides
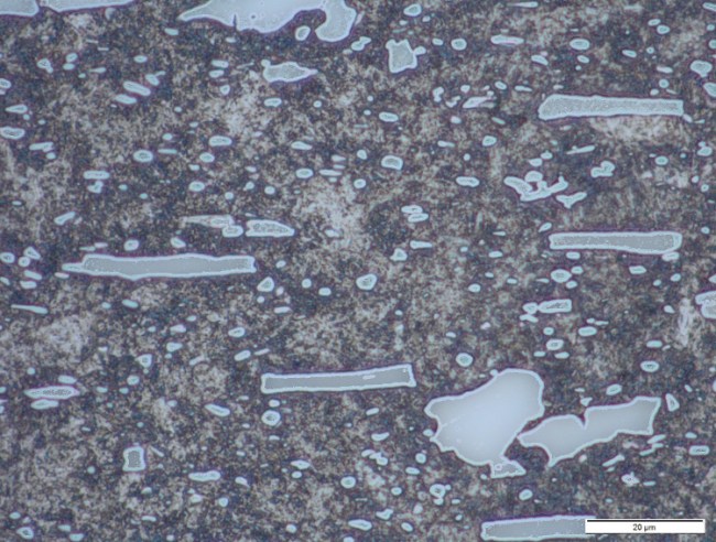
In all of the cases above, properties are greatly controlled by carbides. For high wear resistance and edge retention you want a large amount of hard carbides. And for high toughness you want little or no carbide. So the major tradeoff is in how much carbide you want in the steel for edge retention without dropping toughness too much for the intended knife and user. Steels with only vanadium carbides have the best balance of properties because the hardness of carbide matters for edge retention but doesn’t for toughness. So hard vanadium carbides means you get more edge retention for a given amount of carbide. You can see micrographs of different knife steels to compare their carbides in this article. Below I have shown the difference in carbide volume between AEB-L, CPM-10V, and Rex 121 to get an idea of how much more carbide there is in the high edge retention steels.
AEB-L – 6% chromium carbide
CPM-10V – 17% vanadium carbide
Rex 121 – 23.5% vanadium carbide, 4% molybdenum/tungsten carbide (M6C)
Conventional Ingot vs Powder Metallurgy Carbide Structure
Powder metallurgy is a technology designed to maintain a small carbide size. Read more about how it works here. It is most useful for steels with large amounts of carbide but also helps to be able to add certain carbide types. Vanadium carbides are very large with conventional production of steels but are very small with powder metallurgy. With conventional steels this limited vanadium additions to about 4-5%, and this was greatly expanded when powder metallurgy was developed. The biggest change that is seen with powder metallurgy in measured properties is in regards to toughness. Below shows a comparison of carbide structure between D2 and CPM-D2, and then toughness measurements between the conventional and PM versions of CruWear, D2, and 154CM.
D2 – conventionally produced ingot steel
CPM-D2 – powder metallurgy D2
With steels that have a small amount of carbide the size of the carbides can be kept small through processing (see the AEB-L micrograph earlier in the article). Most low alloy tool steels and carbon steels also have fine carbide structures without powder metallurgy processing. Therefore powder metallurgy is not necessary for certain steels, or could even be slightly detrimental. As wear resistance is increased the differences between conventional and powder metallurgy steels become greater.
Corrosion Resistance
I test corrosion resistance of steels by heat treating 1 x 1.5 inch coupons, finishing to about 400 grit, and then spraying with water. A mirror finish is the best at resisting corrosion and a rough finish means rust and corrosion is more likely. Distilled water can separate steels that are stainless vs those that are not. This showed that XHP and ZDP-189 have significantly lower corrosion resistance than other stainless steels. 1% saltwater will separate between other stainless steels. And only Vanax and LC200N have been free from corrosion with a 3.5% saltwater solution, though MagnaCut was close. Read about my tests in this article. Below shows the results of MagnaCut testing vs other steels where it is labeled as “New Steel.”
Corrosion is not just about cosmetics and rusting, however, but can also affect edge performance. I did a test with knives in 440A (stainless), D2 (high alloy steel with some corrosion resistance), and 1095 (no corrosion resistance). I dipped each in lemon juice and left in open air and tested after 30, 100, and 300 minutes, dipping in lemon juice again each time. There was significant sharpness loss with 1095, almost none with 440A, and D2 was in between.
Hardness vs Rating
For the steels that I rated I give them a single rating rather than a range based on different heat treatments that can be performed. In general, steels “look” worse as you go up in hardness because the toughness is reduced by more than the edge retention is increased. So for most steels they are given a rating at around 59-62 Rc, apart from a few steels that are never used at that hardness. I have a few examples below for steels that I have ranges of hardness tested for both toughness and edge retention. You can see that 64 Rc AEB-L has both lower toughness and edge retention than 61 Rc MagnaCut, so I feel that in general you get a better sense of where the steels fit with a single point. Plus the charts get messier, and I don’t always have data for a wide range of hardness values.
While higher hardness does lead to improved edge retention the bigger reason to have higher hardness is for resisting edge deformation. This is especially important for chopping knives and for knives with thin edges for enhanced cutting ability and edge retention. For example, below is a video comparing a 1095 ESEE knife at 55-57 Rc and a MagnaCut knife at 62.5 Rc, both with the same edge angle. Both knives were chopped through a nail. The ESEE had significant edge damage while the MagnaCut knife did not. This was not necessarily because of superior toughness but because of the superior strength of the MagnaCut from higher hardness. The very good toughness of MagnaCut meant that it didn’t chip despite this relatively high hardness and the difficulty of the test.
video: https://www.youtube.com/watch?v=-j_UYX8CgVs&t=7s
Heat Treatment vs Rating
Many steel ratings articles pay lip service to the importance of heat treatment without providing examples. The ratings I have are for an “optimal” heat treatment. By that I don’t mean that a better heat treatment is not possible, but that major mistakes in heat treating are avoided. It is certainly possible for a knifemaker or heat treating company to do a heat treatment that will have suboptimal properties. I have an article that lists off the major mistakes often made in heat treating.
Austenitizing is the process where the steel is heated to high temperature prior to quenching (rapid cooling) to harden the steel. If the steel is overheated in austenitizing, very large reductions in toughness are possible. See the chart below showing 52100 steel that was overaustenitized (unintentionally) by a knifemaker that sent me specimens for toughness testing. Using controlled furnace heat treating resulted in toughness around 23-28 ft-lbs at 61-62 Rc, while the knifemaker heat treated specimens were 7 ft-lbs or below.
Another common heat treating choice that is not even categorized as a “mistake” is tempering in the high temperature regime (~1000F) rather than the low temperature regime (~400F). After the steel is quenched it is reheated to a lower temperature to increase toughness and decrease hardness. Steel softens as tempering temperature increases, but certain steels see an increase in hardness in a certain higher temperature range such as shown below for high speed steels that are designed for this type of tempering:
This high temperature tempering can be done for several reasons, such as better resistance to overheating during grinding, or because a coating will be applied to the knife that requires a high temperature. However, in our testing there is a reduction in toughness by using the high temperature range rather than the low temperature range, such as was found with CPM-CruWear (Z-Wear) or CPM-10V. The 10V specimens tempered at 1000F were 4-5 ft-lbs while the specimens tempered at 4-500F were 7-8 ft-lbs.
Perhaps a bigger issue with the upper temper is for stainless steels, as there is a significant reduction in corrosion resistance by tempering at 1000F instead of 400F. The bump in hardness comes from precipitation of fine carbides in the steel, which include chromium carbides. The steel loses some of the chromium in solution for corrosion resistance to form these fine carbides for hardness. This can turn the ultra corrosion resistant LC200N or Vanax into a “normal” stainless steel that will rust with only 1% saltwater. Below shows Vanax tempered at 400F on the left and 1000F on the right after 1% saltwater for 24 hours:
There are many other ways in which knife steel performance can be reduced through heat treatment but I can’t cover them all in this article so hopefully these illustrative examples will be enough.
Corrosion Resistance vs Hardness
Typically an increase in corrosion resistance means a reduction in potential hardness for a given steel. This was described in this article on Vanax heat treating. Non-stainless steels can be heat treated to 66 Rc or even higher depending on the particular steel. Stainless steels usually top out around 64 Rc and may require careful heat treating to get there. The ultra high corrosion resistance steels Vanax or LC200N max out around 60-61 Rc instead. A cryo treatment and close temperature control is necessary to achieve those hardness levels. The majority of knives target 63 Rc or below so this limitation of stainless steels does not always come into play but can be an important factor for certain knives targeting high performance and thin edges. Below shows approximate maximum hardness vs stainless rating for several stainless knife steels. This is about comparing steels to each other rather than a limitation of an individual steel. In other words, heat treating a steel to its maximum hardness does not necessarily mean reduced corrosion resistance.
Cost of Steels
The biggest factor for cost of knife steel is whether it is produced with conventional ingot technology or powder metallurgy. However, there are other factors. Some steel companies charge more than others. Some steels are more difficult to manufacture for the steel company or have more expensive alloying elements so the cost is increased. Importing steel from Europe to the USA, or vice versa, generally increases the cost. Steel produced in China is generally less expensive. Poor availability may effectively increase cost of steel. In many cases the cost of working with the steel for the knife companies is more significant than the cost of the steel itself. In a pocket knife the total amount of steel is rather small. However, high wear resistance means that abrasives are used up more rapidly, more careful grinding is necessary to avoid overheating, finishing and polishing is much more time consuming, etc. High toughness steels can be produced without powder metallurgy and also have low wear resistance for lower manufacturing costs. High wear resistance steels are more expensive to buy and to process, especially since many require powder metallurgy. You can read an article I wrote on budget steels here.
Ease in Sharpening
I have not provided a rating for ease in sharpening. Generally this is “code” for difficulty in abrading away steel. In that case the difficulty in sharpening would be the inverse of the edge retention rating. In other words, Rex 121 would be the most difficult to sharpen and 5160 and 8670 would be the easiest. However, even in this case there is the complicating factor of carbide and abrasive hardness. Aluminum oxide is used in most common sharpening stones and it is softer than vanadium carbide, which makes sharpening high vanadium steels more difficult. Diamond and CBN stones make sharpening those steels easier. However, I would argue that pure material removal is usually not the limiting step for ease in sharpening. Deburring of edges often takes even longer than removing material to produce the edge. Softer steel usually forms larger burrs and they are more difficult to deburr. Steels that are improperly heat treated have excess retained austenite which makes them extremely difficult to deburr. Oftentimes steels that are reported to be “difficult” to sharpen are in fact improperly heat treated and challenging to deburr.
Summary and Conclusions
Steel ratings are not about “ranking” steels in terms of what is better than another, but understanding the different balances such as toughness vs edge retention. Other factors that can be added in are corrosion resistance, hardness, and cost. There is no single category that means that a steel is more “premium” or “better” than another. Heat treatment and edge geometry can mean more for knife performance than the specific steel used in the knife. The best scenario is when the steel, heat treatment, and geometry are selected for the knife and the use. You can read more about these factors in my book Knife Engineering.
Share this:
Like this:
Related
S30V Steel – History and PropertiesApril 13, 2020In “History - Articles - Books”
What is the Best Budget Knife Steel?June 15, 2020In “Steel and Knife Properties”
Spyderco-Exclusive CPM SPY27 Steel AnalysisJanuary 15, 2020In “History - Articles - Books”




































